卫生级不锈钢S304 316L方管
微压自力式调节阀在石化燃气应用
自力式微压调节阀是一种弹簧设定直接作用微压调节阀,可将较高压力的气体一次节流减压稳压低压力,仅用于阀后控制。适用于各类气体的微压控制,特别适用于微压氮封系统。控制压力0.3KPa,最高控制压力为15KPa,使用温度-48℃,最高使用温度120℃,是一种无需外来能源的节能型产品,利用工艺管道中介质的压力变化与信号进行比较,使被调节介质的力与执行机构的输出力平衡,以达到稳定压力、差压值。 ZZCP-1型差压阀,采用平衡型单座阀,压力稳定、精度高、密封性好,用于控制微小差压。ZZCN-10型差压阀采用双座阀,流量系数大,将阀芯正、倒装,可组成二个不同品种的调节阀产品。该产品适用于各种工业炉燃烧系统控制两种燃料气体混合比流量或用于氢冷发电机组密封油系统中,同时,还可用于各种工业气体的减压、稳压或泄压的自动控制。

本实用新型提出了一种微压自力式调节阀,包括主调节阀,指挥器阀和执行机构,所述阀后通道通过下膜盖与膜腔相连通,指挥器阀包括指挥器体,指挥腔,平衡阀芯和压簧,指挥器体的侧壁上设有连通指挥腔和阀前通道的第一通孔和连通指挥腔和阀后通道的第二通孔,所述平衡阀芯位于指挥器腔内且其上端设有适配穿过指挥腔和下膜盖的顶杆,所述平衡阀芯可在压簧的作用下向上移动并关闭第二通孔,控制膜片的上侧与调节弹簧连接,下侧与推杆的一端相连接,推杆的另一端与顶杆相互抵接;阀盖上设有一端连通指挥腔,另一端可驱使阀芯与阀座密封连接的压力通道.本实用新型目的在于提供一种密封性好,控制灵敏且精准,结构简单,使用方便的微压自力式调节阀.
一种石油,化工,冶金,轻工等工业部门中各种石油制品,化学液体贮罐气封使用的微压自力式压力调节阀,是由执行机构和调节机构两部分组成.通过贮罐内压力变化的反馈信号,自动控制气体介质输入调压阀,使罐内压力保持在设定值的范围内.该阀具有安装调试方便,精度高,占据位置小等优点.天然气改管道注意事项、天然气软管材质、天然气的特点、天然气的成分、天然气的鉴别方法、天然气与汽、柴油的区别、天然气的安全性、天然气的种类、天然气的保暖原理、天然气在工业中的应用。
|
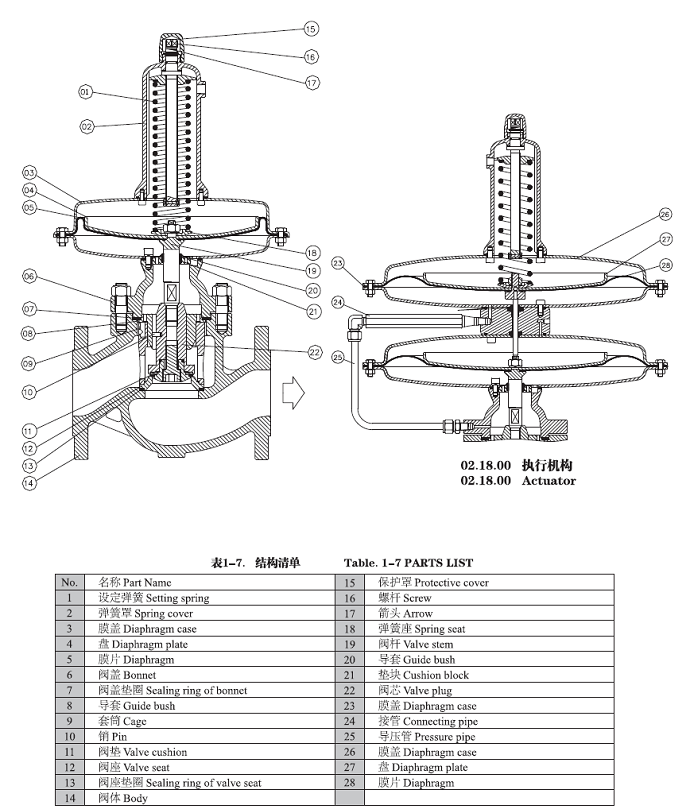
序号 |
品 名 |
型 号 及 规 格 |
单位 |
数量 |
|
3 |
减压阀 |
微压减压阀ZZVP-16P PN16 DN100 进出口法兰连接PN16 DN100 带平衡结构 介质:天燃气 进口压力 0.32 MPA,出口压力30 KPA 流量800标方每小时 |
台 |
1 |
天然气长输管线又称输气干线,在我国压力管道分类中属GA 类,其设计应遵循规范《输气管道设计规范》(GB50251)。长输管线系统必须具备以下功能:计量的功能、增压的功能、接受和分输功能、截断功能、调压功能、清管的功能、储气调峰的功能。长输管线类型分以下四种,坑口煤制气厂集气站到城市或工业基地修配站的管线;从油气田集(压)气站导到城市配气站的管线;从最近的城市天然气管道干线一级调压站到城市配气站的管线;相邻城市的石油厂、制气厂、焦化厂、城市石油炼厂集气站或矿井瓦斯转运站到城市配气站的管线。
长距离输气管线的目的是根据用户的需求,将净化后符合天然气管道气质标准的天然气,输送到城市或大型工业用户使用,长距离输气管道系统通常由收集管网、输气干线、气体净化设备、分配站(终点调压计量站)、压气站、管理维修站以及管道配件、电气保护装置、通信和远程控制设备等等组成。从气体源来的天燃气,通过节流、分离和脱机械杂质,游离水、油之后,进入到集气站。由集气站出来的天然气在进入处理厂深度出后之后再进入起点站,在起点站中进一步净化除尘、调节压力,在计量以后再送到输气干线,如果燃气压力的起始点低,则必须先在压气站升压。

微压自力式调节阀在石化燃气应用天然气的成分
1、液化天然气正常是无色、无味、易燃、易爆的透明液体;
2、对金属没有腐蚀性;
3、不溶解于水,但在许多有机化合物以及氢气和氧气中是溶解的。
天然气主要以甲烷(CH4)为主,同时含有少量的丙烷(C3H8)和丁烷(C4H10)等烃类气体,氮、二氧化碳、硫化氢及微量的氢、氦、氩等非烃类气体。
4、各个地方的天然气的形成过程不尽相同,所以成分也不一样。
5、天然气的密度与甲烷含量及空气密度有关:甲烷含量越高则天然气密度越小,环境温度越高则天然气密度越小,天然气的密度正常一般在426-470kg/m³,燃烧速度0.3m/s。

自力式微压调节阀性能特点
1、结构紧凑---内置弹簧结构使调节阀结构更紧凑,同时具有更好的防护性。
2、无填料---在微压控制时任何摩擦阻力都会影响调节阀的调节精度,此阀无填料结构使整个调压结构有很好的灵敏度,同时又减少了外漏点。
3、推力放大---微压控制阀因其控制压力极低,所以执行机构产生的拉力有限,调节阀的杠杆力放大调节机构将膜片组件产生的微小推力放大6倍,使之具有优秀的调节及耐压性能,同时下游系统流量减为“0"时,阀芯能在微压状态下关断流体,使系统保压。
4、安全过载---为最大限度减少零件重量对控制压力的影响,调节阀的整个调节机构尽可能轻小,精细的原则设计,在正常工作时,下游压力极低,调节机构受力很小,但在实际使用过程中过载是难免的,下游压力有可能在非正常状态下达到阀前压力,这时磨片组件产生的推力对调节机构来说绝对是破坏性的,调节阀的过载保护机构能有效卸载其过载力,使调节机构不会损坏,也就是说调节阀在大多数工况中执行机构膜室可承受阀前最高使用压力而不会损坏。
5、安装方便---阀门出厂时无法预估现场管线走向和安装空间,安装后经常会发现由于周边设备的影响使调节阀的调校,观察很不方便,调节阀的执行器连同调节机构在不解体的状态下做360度旋转,且调整后不影响其原有的性能参数。

微压自力式调节阀在石化燃气应用产品优势
1、螺杆式调节机构使调压更轻松,方便,迅速。
2、阀芯为软密封结构,在阀芯关闭时能轻松切断流体。
3、执行器作为调节阀的重要部件,采用不锈钢板成形,有很高的耐压强度和使用寿命。
4、阀门出厂时无法预估现场管线走向和安装空间,安装后经常会发现由于周边设备的影响使调节阀的调校,观察很不方便,调节阀的执行器连同调节机构可在不解体状态下做360度旋转,且调整后不影响其原有的性能参数。

微压自力式调节阀在石化燃气应用主零件材料
| 材料代号 | C(WCB) | P(304) | R(316) | |
| 主要 零件 |
阀体、阀盖 | WCB(ZG230-450) | ZG1Cr18Ni9Ti(304) | ZG1Cr18Ni12Mo2Ti(316) |
| 阀芯、阀座 | 1Cr18Ni9Ti(304) | 1Cr18Ni9Ti(304) | 1Cr18Ni12Mo2Ti(316) | |
| 阀杆 | 2Cr13 | 1Cr18Ni9Ti | 1Cr18Ni12Mo2Ti | |
| 填料 | V型聚四氟乙烯(F4)、柔性石墨、 | |||
| 垫片 | 增强聚四氟乙烯(F4) 、不锈钢垫片、金属石墨缠绕垫片 | |||
| 上下膜盖 | A3钢板冲压 | |||
| 波纹膜片 | 丁晴橡胶、耐油橡胶、氟橡胶 | |||
| 弹簧 | 60Si2Mn | |||
| 波纹管 | 1Cr18Ni9Ti | |||
三、微压自力式调节阀在石化燃气应用性能指标
| 公称通径DN(mm) | 20 | 25 | 32 | 40 | 50 | 65 | 80 | 100 | |
| 额定流量(KV) | 单座(P) | 8 | 11 | 20 | 32 | 50 | 80 | 100 | 160 |
| 双座(N) | ─ | ─ | ─ | ─ | 50 | 83 | ─ | ─ | |
| 额定行程(mm) | 6 | 8 | 10 | 15 | 20 | ||||
| 调节精度(%) | ±10 | ||||||||
| 公称压力PN(MPa) | ZZC | 0.10 1.0 | |||||||
| ZZV | 0.10 | ||||||||
| 介质温度(℃) | ≤80 | ||||||||
| 允许泄漏量(L/h) | 单座(P) | 10-4×阀额定容量 | |||||||
| 双座(N) | 103×阀额定容量 | ||||||||
| 压力调节范围(Kpa) | 0.5~5.5、5~10、9~14、13~19、18~24、22~28、26~33、31~38、36~44、41~51、49~58、56~66、64~78、76~90、76~90 | ||||||||
是一种无需外来能源的节能型产品,利用工艺管道中介质的压力变化与信号进行比较,使被调节介质的力与执行机构的输出力平衡,以达到稳定压力、差压值。 ZZCP-1型差压阀,采用平衡型单座阀,压力稳定、精度高、密封性好,用于控制微小差压。ZZCN-10型差压阀采用双座阀,流量系数大,将阀芯正、倒装,可组成二个不同品种的产品。

该产品适用于各种工业炉燃烧系统控制两种燃料气体混合比流量或用于氢冷发电机组密封油系统中,同时,还可用于各种工业气体的减压、稳压或泄压的自动控制。自力式微压调节阀,采用平衡单座阀,在运行中可任意对设定值进行调整等特点。因而适用于各种工业炉燃烧统燃料气体、石油在制品或油库贮罐保护气体与热处理保护气体的微压自动调节等场合。