温州旭盛机械工贸有限公司欢迎你!
Facebook Youtube Twitter
Chat
+86 15280043881 jiong@xushengvalve.com 0086 0577 88178326
  • 首页
  • 产品展示
  • 关于我们
  • 新闻动态
  • 联系我们
  • 信息反馈
  • 在线留言
  • 在线询价
  • 联系我们
    刘经理

    刘经理

    销售经理

    订阅免费通讯以获取最新产品和资讯信息.

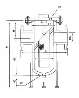
      蓝式过滤器工作原理及技术参数的说明

      2014-07-06 19:29:51   点击量: 

      蓝式过滤器用油或其它液体管道上,过滤管道里的杂物,过滤孔面积比通径管面积大于2-3倍.远远超过Y型、T型过滤器过滤面积。过滤器精度在过滤器中属于一种精度最佳的过滤器,滤网结构与其它过滤网不一样。


      蓝式过滤器

      蓝式过滤器


      蓝式过滤器工作原理:

      管道在安装时会有其它杂物带入管道,在生产中原材料中也含有杂物。管道里液体经过过滤器时它的污物由过滤器收藏到滤网中,在一定的程度时打开壳盖清理滤网即可。


      蓝式过滤器技术参数:

      工作压力:1.6-5.0Pa

      介质:油、水、气

      壳体:钢管焊制

      过滤精度:0.22-1.0mm

      滤芯、滤网:304材料

      蓝式过滤器外型连接尺寸: 1.6MPa

        

      1.6MPa连接尺寸

      DN

      φ

      L

      H1

      H

      W

      25

      89

      220

      90

      260

      R1/2

      32

      89

      220

      95

      270

      R1/2

      40

      114

      280

      110

      300

      R1/2

      50

      133

      280

      120

      310

      R1/2

      65

      140

      330

      130

      350

      R3/4

      80

      168

      340

      140

      400

      R3/4

      100

      219

      420

      160

      470

      R3/4

      150

      273

      500

      190

      620

      R3/4

      200

      325

      560

      220

      770

      R3/4

       

      2.5MPa蓝式过滤器外型连接尺寸:

       

      DN

      φ

      L

      H1

      H2

      H3

      H

      W

      100

      219

      420

      160

      310

      120

      590

      R3/4

      150

      273

      500

      190

      430

      130

      750

      R3/4

      200

      325

      560

      220

      550

      150

      920

      R3/4

      250

      426

      680

      270

      660

      170

      1100

      R3/4

      300

      480

      750

      320

      860

      200

      1380

      R1"

      350

      540

      800

      350

      1030

      200

      1580

      R1"

      作者:   来源:
    热门新闻
    信息反馈
    信息反馈
    Copyright © 2019-2020 xushengvalves.com, All Rights Reserved   wz1050998343434