温州旭盛机械工贸有限公司欢迎你!
Facebook Youtube Twitter
Chat
+86 15280043881 jiong@xushengvalve.com 0086 0577 88178326
  • 首页
  • 产品展示
  • 关于我们
  • 新闻动态
  • 联系我们
  • 信息反馈
  • 在线留言
  • 在线询价
  • 联系我们
    刘经理

    刘经理

    销售经理

    订阅免费通讯以获取最新产品和资讯信息.

      液压蝶阀-工业阀门产品介绍

      2014-07-06 19:29:51   点击量: 
      快速关闭蝶阀结构快速关闭阀主要安装于汽轮机抽气管路、高炉煤气余热发电装置(TRT)进气管路等高安全等级系统,作紧急切断阀用;在系统出现危机工况时,在0.3~0.8s内实施紧急关阀,实现管路介质的可靠截断,有效防止汽轮机尾部蒸汽和冷凝水倒灌或切断煤气管路,保护整机的安全。
      快速关闭阀由主阀、齿轮齿条、油缸传动装置、液压系统、电气控制系统五大部分组成。各部分高度集成为一个整体,结构紧凑,大大节省了占地空间。
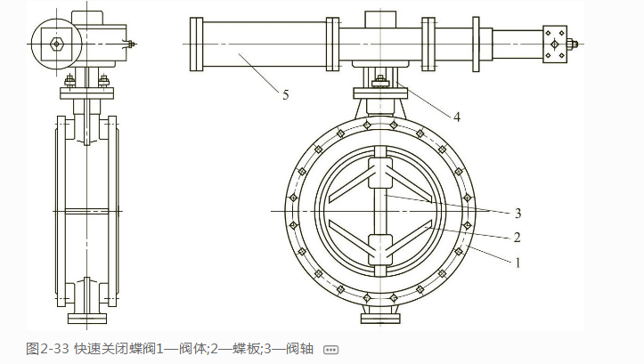
      主阀为三偏心金属密封蝶阀(图2-33),在传统的双偏心结构基础上配置独特的角偏心设计,充分利用凸轮效应,使阀门启闭时密封副瞬间接触、瞬时脱离,消除了摩擦和卡挤,磨损小、耐高温、启闭轻松、密封可靠。齿轮齿条传动装置结构紧凑,直接与油缸相连,油缸尾部没有缓冲装置,消除快关时的惯性冲击,延长阀门使用寿命。


      液压蝶阀-工业阀门产品介绍(图1)

      液压系统根据快关动力源的不同,分为弹簧蓄能快关和蓄能器蓄能快关两大类。阀门正常启闭动力源一般由液压系统中的油泵机组提供,也可来源于汽轮机主机配套液压站。正常启闭速度由流量阀调节控制。
      电气控制系统按主逻辑元件类别分为普通继电型和PLC智能控制型,出厂配套一般为普通继电型,需PLC智能控制型应在订货时说明。系统除设有正常开阀、正常关阀、停止、快速关阀等常规控制动作外,还设置了全开状态15%行程“游动”功能,以避免阀门卡阻。
      系统中配有就地控制回路和远程联动控制回路。就地控制回路主要用于现场调试,正常工作时一般均使用远程联动控制回路。
      液压系统电磁换向阀控制特征一般为正作用型,即电磁阀供电蝶阀开启、失电蝶阀关阀;反之则为反作用型。常规配套电磁换向阀为正作用型,采用反作用型应订货时说明。
      系统动力电源为AC380V,控制电源可以是AC220V、DC100V或其他电源等级。
      作者:   来源:
    热门新闻
    信息反馈
    信息反馈
    Copyright © 2019-2020 xushengvalves.com, All Rights Reserved   wz1050998343434